Caractéristiques
- Type de cylindre: 2 entrées
- Classe de sécurité: Haute sureté
- Caractéristiques: Anti-crochetage, Anti-percage, Anti-arrachage
- Profil cylindre: Européen
- Nombre de clés inclus: 5
- Nombre de goupilles: 6
- Type de clé: Réversible
Les points Clés :
- Cylindre Profil Européen
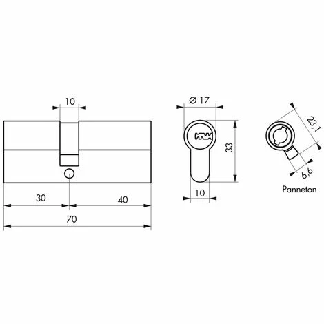
- Cylindre Double Entrée 30x40mm
- Cylindre de Haute sécurité
- Mécanisme à 6 Goupilles
- Protection Anti-Arrachement
- Protection Anti-Perçage
- Protection Anti-Crochetage
- 5 Clés Plates réversibles
- Carte de Propriété
Descriptif détaillé
Le cylindre de serrure est un système indispensable de protection anti-intrusion, un cylindre de porte de Haute Sécurité renforce idéalement le point très sensible d’une porte d’entrée, il est donc nécessaire d’utiliser un cylindre de serrure de haute sécurité pour éviter l’effraction.
Le cylindre Trafic 6 de la marque Thirard est un cylindre européen de haute sécurité, cylindre qui correspond parfaitement au niveau de sécurité minimum requis pour une porte d’entrée.
Le premier niveau de protection est l’anti-arrachement, la vis de fixation et le panneton empêche l’extraction du cylindre.
Deuxième niveau de sécurité l’anti-crochetage : le nombre, la forme et l’organisation des goupilles empêchent le crochetage.
Troisièmement l’anti-perçage, l’aiguille et la première goupille en acier trempé empêche le perçage.
Le Trafic 6 avec ses 6 goupilles et ses protections anti-arrachement, anti-perçage, anti-crochetage est donc le garant de la parfaite sécurité de votre domicile.
En plus d’un haut niveau de sécurité, ce cylindre est livré avec 5 clés et une carte de propriété qui sert à vous protéger de reproduction frauduleuse de vos clés.
Cette carte propriétaire vous garantit la protection d’une reproduction protégée, sécurisée et contrôlée car sa présentation est obligatoire pour la copie de ses clés auprès du fabricant.
En option fonction urgence :
Un cylindre de serrure est dit fonction urgence ou panneton débrayable quand il peut être manœuvré de l’extérieur lorsqu’une clé est déjà engagée dans le cylindre du côté intérieur.
Caractéristiques Techniques
| Clé Protégée | Oui |
|---|---|
| Débrayable | Non |
| Matière | Laiton |
| Finition | Laiton |
| Gamme | Trafic 6 |
| Nombre de Clés | 5 |
| Nombre de Goupilles | 6 |
| Niveau de Sécurité | 7/10 |
| Panneton | Standard |
| Longueur (en mm) | 30 x 40 mm |
| Type | Cylindre Double Entrée |
| Profil | Européen |
Tuto Brico
– Dimension : 30×40 mm
– Usage : Porte d’entrée
– Axe : 30×40 mm
– Garantie : 10 ans
– Carré : 30×40 mm
– Type de clé : Clé plate réversible

















Avis
Il n’y a pas encore d’avis.