Caractéristiques
- Type de cylindre: 2 entrées
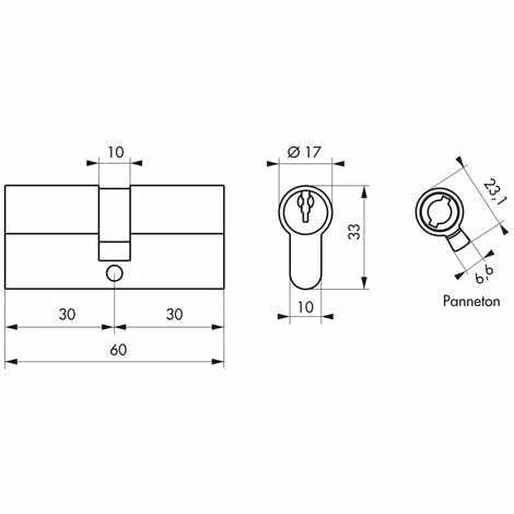
- Longueur du cylindre: 30
- Classe de sécurité: Sureté
- Caractéristiques: Anti-percage, Anti-arrachage
- Profil cylindre: Européen
- Nombre de clés inclus: 3
- Nombre de goupilles: 5
- Finition: Nickelé
Les points Clés :
- Cylindre Profil Européen
- Cylindre Double Entrée 30 x 30 mm
- Cylindre de Sécurité
- Mécanisme à 5 Goupilles
- Protection Anti-Arrachement
- Protection Anti-Perçage
- 2 x 3 Clés Acier Nickelé
- Fonction Modifiable
Descriptif détaillé
Le cylindre 5G de la marque Thirard est un cylindre européen de sécurité, cylindre qui correspond au niveau de sécurité minimum pour une porte d’entrée.
Le modèle 5G est un cylindre ayant une protection anti-arrachement, anti-perçage.
Le premier niveau de protection est l’anti-arrachement, c’est la seule sécurité que l’on trouve sur les cylindres les plus basiques. En plus de la vis de fixation, le panneton empêche l’extraction du cylindre.
Deuxième niveau de sécurité : aiguille en acier trempé qui empêchent le perçage.
Le Cylindre 5G avec ses 5 goupilles et ses protections anti-arrachement, anti-perçage, est un cylindre de sécurité, ce cylindre de serrure se destine donc à des portes de sécurité moyenne.
La fonction modifiable permet une modification de la combinaison , en cas de perte de clés du premier jeu, introduire une clé du second jeu dans le cylindre et les clés du premier jeu deviennent inutilisables.
Notre gamme de cylindre se décline en trois catégories : cylindre, cylindre de sécurité et cylindre de haute sécurité.
Caractéristiques Techniques
| Clé Protégée | Non |
|---|---|
| Débrayable | Non |
| Matière | Laiton |
| Finition | Laiton |
| Gamme | 5G STD Modifiable |
| Nombre de Clés | 2 x 3 |
| Nombre de Goupilles | 5 |
| Niveau de Sécurité | 5/10 |
| Panneton | Standard |
| Longueur (en mm) | 30 x 30 mm |
| Type | Cylindre Double Entrée |
| Profil | Européen |
Tuto Brico
– Dimension : 30×30 mm
– Usage : Porte d’entrée
– Axe : 30×30 mm
– Garantie : 5 ans
– Carré : 30×30 mm
– Type de clé : Clé crantée
















Avis
Il n’y a pas encore d’avis.