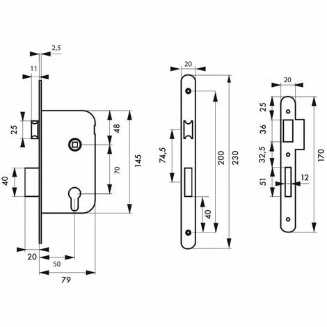
Caractéristiques
- Type d’accès: Entrée/Extérieur
- Axe: 50
- Matière du coffre: Acier embouti
- Caractéristiques: Réversible
- Section du fouillot: 7
Coffre acier embouti. Têtière acier, laiton ou inox. Demi-tour alliage zingué réversible sans démontage du coffre. Pêne alliage zingué ou laiton. Gâche plate acier. Mécanisme à 2 tours. Rappel du 1/2 tour par la clé. Carré 7mm, entr’axe 70 mm.
– Dimension : 79x145mm
– Usage : Porte d’entrée
– Axe : 50 mm
– Garantie : 5 ans
– Carré : 7mm
– Type de pose : Encastrable
















Avis
Il n’y a pas encore d’avis.